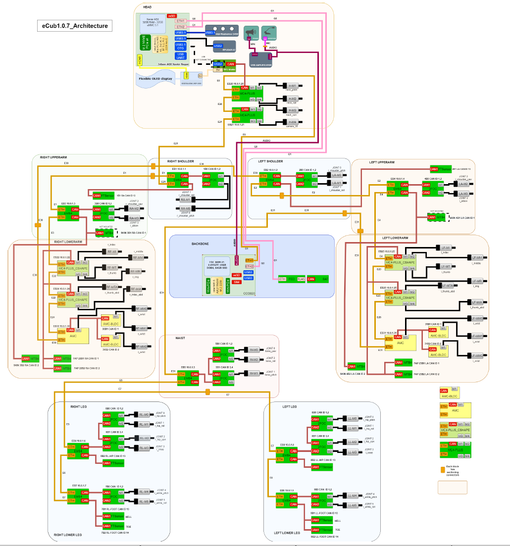
Ergocub1 0 ergoCub 1.0 Wiring The system architecture of ergoCub1.0 is depicted in the following image: Logic and Harness ergoCub 1.0 E1.0 Full Robot ergoCub1.0 Logic_1.0.0 ergoCub1.0 Harness_1.0.0